PERFEXIM ROZDZIELACZ DO GRUP POMPOWYCH DN25 3OBW
Produkty subskrypcyjne w twoim koszyku
Ustaw jedną częstotliwość dostaw dla wszystkich produktów subskrypcyjnych z twojego koszyka co:
Produkty subskrypcyjne w twoim koszyku
Marka
Podmiot odpowiedzialny za ten produkt na terenie UE
PERFEXIM Sp.z o.o.Więcej
Adres:
ul. Samotna 2Kod pocztowy: 61-441Miasto: PoznańKraj: PolskaNumer telefonu: +48 61 222 64 00Adres email: biuro@perfexim.com.pl
Symbol
54-300-1002-003
Kod producenta
5901880133275
Gwarancja
Kod EAN
5901880133275
Model (Model)
54-300-1002-003
Typ produktu
rozdzielacz hydrauliczny
ROZDZIELACZ C.O. DO GRUP POMPOWYCH DN25 3 OBWODY Z IZOLACJĄ OCIEPLONY EPP PHA-1002
PERFEXIM 54-300-1002-003

W zestawie:
- sprzęgło z izolacją
- uchwyty do montażu na ścianie
- kołki montażowe
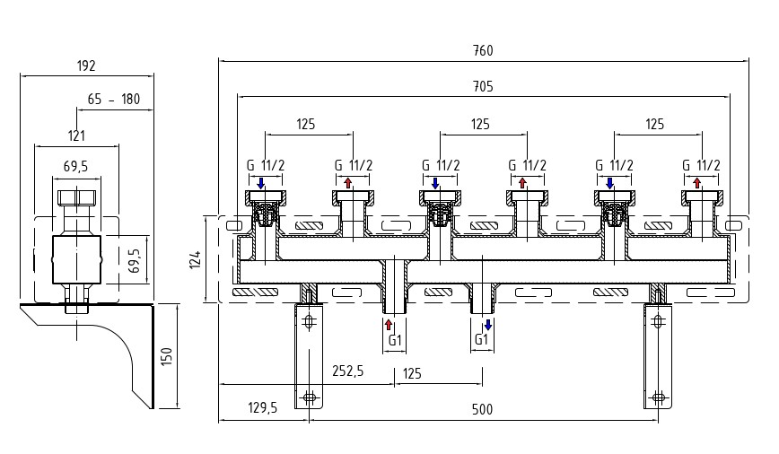
Rozdzielacz systemowy dla 3 obiegów grzewczych przeznaczony do grup pompowych. Rozdzielacz systemowy służy do rozbudowy obiegów grzewczych. Oszczędza miejsce i zapewnia szybką i komfortową budowę układu grzewczego. Rozdzielacz wyposażony jest w uchwyty mocujące, które umożliwiają montaż naścienny. Standardowe rozmiary przyłączy rozdzielacza umożliwiają montaż z innymi grupami pompowymi dostępnymi na rynku które posiadając rozstaw 125 mm.
Dane techniczne:
- Moc w kW przy ΔT = do 55 kW
- Przyłącze górne 1 1/2” GW
- Przyłącze dolne 1” GZ
- Rozstaw osi 125 mm
- Maks. temperatura pracy: 95°C
- Maks. ciśnienie pracy: 1 MPa
Materiały:
- korpus, nakrętka, uchwyty montażowe - stal węglowa z powłoką malarską (czarna)
- uszczelki - EPDM
- izolacje - EPD

Do pobrania
Zasoby dotyczące bezpieczeństwa i produktów
Perfexim
Perfexim
Zapytaj o produkt
Napisz swoją opinię










