- Doskonale nadają się do gromadzenia ciepła z kilku źródeł, np. z 2 kotłów i instalacji solarnej.
Produkty subskrypcyjne w twoim koszyku
Ustaw jedną częstotliwość dostaw dla wszystkich produktów subskrypcyjnych z twojego koszyka co:
Produkty subskrypcyjne w twoim koszyku
KOSPEL ZBIORNIK BUFOROWY 200L BEZ WĘŻOWNICY NIEEMALIOWANY W IZOLACJI SV-200.1

Najważniejsze zalety:
Wysoka jakość izolacji cieplnej
Eko-efektywna izolacja bufora zapewnia minimalne straty energii dzięki wykonaniu z włókien poliestrowych pochodzących w 100% z recyklingu.
Obsługuje kilka źródeł ciepła
Doskonale nadają się do gromadzenia ciepła z kilku źródeł, np. z 2 kotłów i instalacji solarnej.
Szybki montaż
Izolacja bufora zapewnia szybki montaż dzięki wygodnej listwie zamykającej
Dane techniczne:
- Pojemność znamionowa: 200 litrów
- Straty postojowe: 53W
- Pojemność magazynowa: 220 litrów
- Ciśnienie znamionowe zbiornika: 0,3MPa
- Temperatura znamionowa: 95°C
- Masa bez wody: 53kg
- Grubość izolacji: 65mm
- Materiał izolacji: PUR
- Rodzaj izolacji: Nierozbieralna
- Klasa efektywności energetycznej: B

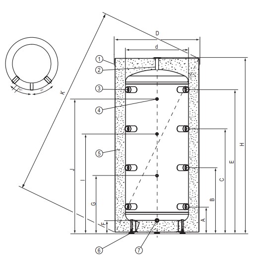
[1] - pokrywa górna [2] - króciec przyłącza odpowietrznika (1/2”) [3] - króciec przyłączeniowy (6/4") [4] - króciec czujnika temperatury (1/2") [5] - izolacja termiczna [6] - stopki [7] - króciec spustowy (1/2”)
D - 595mm
d - 457mm
H - 1616mm
A - 266mm
B - 618mm
C - 970mm
E - 1322mm
F - 125mm
G - 554mm
I - 911mm
J - 1239mm
K - 1700mm







